ECS - Eau Chaude Sanitaire
Découvrez ici comment TGF vous accompagne dans la mise en place ou la modernisation de votre installation d'Eau Chaude Sanitaire (ECS).
CAS CLIENTS

Parc du Faubourg – sous station – interview croiséeProjet qui allie innovation technique et exigences environnementales...

Parc du Faubourg – sous station – interview croiséeProjet qui allie innovation technique et exigences environnementales...
Une grande expérience au service de la performance énergétique
TGF travaille avec l'ensemble des acteurs du secteur : Maîtres d’Ouvrages, Bureaux d'Études, Installateurs, Exploitants.
Grâce à son expérience du terrain et à ses outils de simulation, notre équipe vous apporte une aide à la détermination, un support dans le choix des équipements, ...
Travaillant avec l'ensemble des grandes marques du secteur. Nous sommes ainsi en mesure de mettre en place des solutions multi-marques, faisant passer en premier plan le besoin client et la performance énergétique.
Pourquoi faire évoluer votre PECS ?

De nouvelles solutions sont disponibles pour votre PECS.
Souples et plus économiques, elles s'adaptent à vos contraintes et vous garantissent un fonctionnement optimum et un coût de maintenance réduit.
Les anciennes tendances pour la Production d'Eau Chaude Sanitaire (PECS) consistaient à stocker des volumes d'ECS conséquents afin de garantir le confort client.
Avec la hausse du coût de l'énergie et des préoccupations sanitaires (voir encadré, ci-après), cette stratégie pour l'ECS à tendance à disparaitre.
Sur le volet maintenance, l'accumulation d'ECS implique certaines contraintes :
- Contrôles périodiques
- Désinfections
- Contrôles et remplacement anodes
- Contrôle du revêtement du réservoir
- etc...
Aujourd'hui, des solutions plus souples avec peu ou pas de volumes d'ECS existent.
Ces nouvelles solutions répondent tout aussi bien aux besoins de l'installation et du client et disposent des avantages suivants :
- Performance énergétique accrue
- Maitrise du risque bactérien
- Contraintes de maintenance allégées
Les risques bactériens
Les bactéries de type Legionella vivent dans l’eau et sont présentes à l’état naturel dans l’environnement. Elles se développent à des températures de 25°C à 42°C.
Elles se multiplient dans tous les types de systèmes impliquant de l’eau, par exemple, les tours de refroidissement des systèmes de climatisation, les systèmes de distribution d’eau, les humidificateurs ou les bains tourbillons.
Ces appareils, lorsqu’ils sont mal entretenus, constituent des conditions optimales de croissance pour les bactéries de type Legionella.
(source : passeportsante.net)
01

PECS instantanée avec stockage primaire

Le principe de cette solution est simple et astucieux.
Plutôt que de stocker de l'ECS (circuit secondaire), on stocke de l'eau de chauffe ou "eau morte" dans le circuit primaire.
Ce "réservoir d'énergie" a beaucoup moins de contraintes, en terme d'hygiène et comporte de nombreux avantages :
- La production d'ECS se fait au moment du puisage (i.e. quand on ouvre le robinet).
- Les pics de consommation sont maitrisés sans la nécessité d'avoir une chaudière conséquente.
- Le risque bactérien lié au stockage est écarté.
- Plus de maintenance de ballon de stockage secondaire.
- La maintenance du ballon de stockage primaire (eau morte) est grandement facilitée.
- Cette solution est un bon compromis en terme de dimensionnement sur des sites produisant déjà de l'ECS.
Exemples de cas d'utilisation :
- Logements
- Maisons de retraite
Schéma de principe:

Exemples de solutions PECS instantanées
Aqua Efficiency + Primary Tank
Le préparateur ECS Aqua Efficiency couplé à un ballon de stockage primaire Primary Tank sont une solution de PECS économe en énergie garantissant une basse température de retour du côté primaire et une faible consommation d'énergie.
Idéale pour les installations équipées de chaudières à condensation.
Heat Switch 2 + LCTP Plus
Étant donné son faible encombrement, le préparateur Heat Switch 2 est idéal pour les chaufferies exiguës et pour les rénovations.
Associé à un ballon de stockage primaire LCTP PLUS, il vous apporte une solution de production d’ECS anti-légionellose tout en limitant la puissance instantanée appelée à la chaudière.
02

PECS semi-instantanée

Cette solution de production d'ECS est plus classique. Un ballon de stockage d'Eau Chaude Sanitaire est placé entre le système de production et les utilisateurs. Ainsi, une grande réserve d'ECS est disponible immédiatement. Cette configuration est généralement mise en œuvre pour des cas d'utilisations où l'on a besoin d'un volume d'ECS très important sur des pics de consommation.
Exemples de cas d'utilisation :
- Campings
- Hôtellerie
- Cuisines centrales
- Centres sportifs
Avantages :
- Répond au besoin d'avoir un gros volume d'ECS de manière ponctuelle dans la journée.
- Échangeur de taille réduite.
- Puissance de chaudière diminuée.
Contraintes :
- Obligation de disposer d'une Attestation de Conformité Sanitaire (ACS).
- Maintenance régulière du Ballon de stockage (désinfection annuelle, contrôle et remplacement des anodes)
Schéma de principe:

Exemples de solutions PECS semi-instantanées
Le préparateur ECS Aqua First couplé à un ballon de stockage secondaire Aqua Tank sont une solution de PECS semi-instantanée.
Le préparateur d'ECS HeatSwitch semi-instantané est particulièrement adapté aux installations possédant une chaudière de puissance limitée ou lorsqu’un échangeur à plaques instantané ne suffit plus à fournir seul un débit d’eau chaude sanitaire important.
Le ballon LCT permet alors de stocker l’eau chaude sanitaire et de subvenir aux besoins en période de pointe.
AquaCompact est un système compact pré-assemblé qui optimise la puissance nécessaire et le volume de stockage d’eau chaude sans réduire sa capacité en eau chaude sanitaire.
En minimisant les coûts d’installation et de fonctionnement, AquaCompact offre la meilleure rentabilité globale possible.
Cette solution est idéale pour des projets nécessitant un faible encombrement au sol.
Le concept Tank-in-Tank est un réservoir d’eau chaude totalement immergé dans un ballon externe qui forme le circuit primaire.
Le réservoir intérieur (toujours en acier inoxydable) est lui-même un échangeur pour le chauffage : grâce à la grande surface d’eau chaude, celle-ci est rapidement réchauffée et le volume de stockage peut être réduit au minimum.
03

Accumulation à serpentin : un autre système de PECS semi-instantané

Cette solution technique de PECS semi-instantanée diffère légèrement des solutions présentées plus haut.
Ici, un serpentin où circule de l'eau chaude sert d'intermédiaire pour réchauffer l'ECS.
Le réchauffage par serpentin ne permet pas des retours basse température et n'est donc pas une solution optimale pour les installations équipées de chaudières à condensation.
Exemples de solutions PECS semi-instantanées avec accumulation à serpentin
Le LCT est une vaste gamme de réservoirs d’eau chaude sanitaire (ECS).
Grâce à son isolation en laine de verre de 100 mm, la gamme offre une solution efficace avec de faibles pertes thermiques pour le stockage et la production d’eau chaude sanitaire (LCT 1 & LCT 1 Plus).
Note: Il existe des surfaces de serpentin optimisées pour application PAC (Pompe à Chaleur).
Production d'ECS instantanée ou semi-instantanée?
Nous avons donné des cas d'usage classiques de ces deux solutions de production d'ECS.
Pour autant, en fonctions de votre projet et de vos contraintes, l'une ou l'autre de ces solutions techniques pourront être proposées.
En effet, en plus de leurs connaissances techniques, nos équipes ont une solide expérience du terrain.
Ils sauront vous conseiller afin de mettre en œuvre LA bonne solution répondant aux spécificités de votre projet.
N'hésitez pas à nous contacter pour cela !
04

PECS avec accumulation à point électrique

Contrairement aux solutions de production d'ECS instantanées et semi-instantanées, la PECS avec accumulation repose sur une autre stratégie :
- Le volume de consommation d'eau journalier sera intégralement stocké sous forme d'ECS.
- L'ECS est obtenue grâce à un système de réchauffage électrique.
Avantages :
- Nécessite des petites puissances électriques pour réchauffer l'eau.
- Permet d'avoir de l'ECS facilement où seule l'énergie électrique est disponible.
- Le temps de réchauffage se fait sur les heures creuses d'utilisation.
- Simplicité de l'installation : pas de chaudière, pas d'échangeurs...
Contraintes :
- Prend de la place (on stocke de grands volumes d'ECS).
- Le temps de réchauffage est très long.
- Les contraintes de maintenance sont importantes.
Notes :
- cette solution à tendance à être complétée par l'ajout d'une Pompe à Chaleur pour optimiser le coût énergétique.
- Le réchauffage électrique peut se faire avec deux types de résistances : Résistance blindée (résistance noyée dans le liquide à réchauffer) ou Résistance stéatite (résistance dans un fourreau)

Exemples de solutions PECS avec accumulation à appoint électrique
Tous les ballons de la gamme LCT peuvent être munis système de chauffage à appoint électrique, soit via une résistance blindée, soit via une résistance stéatite.
05

PECS avec générateur Gaz

Le principe de la génération d'ECS à gaz est de coupler dans un même appareil, un bruleur à gaz et un accumulateur d'ECS.
Selon la technologie employée, l'ECS peut être réalisé soit en chauffant directement la cuve d'eau, soit au travers d'un échanger de fumée ou encore par l'intermédiaire d'un fluide intermédiaire pour les solutions les plus avancées.
Avantages :
- Faible encombrement.
- Faible puissance gaz pour fonctionnement durant l’été.
- Solution à condensation désormais standardisée avec faible rejet NOx.
Contraintes :
- Coût du Gaz de plus en plus cher.
- Solution reposant sur une énergie fossile.
- Coût supplémentaire pour la fumisterie (raccordement des conduits de fumée).
Schéma de principe:

Exemples de solutions PECS Gaz
Le cœur de la WaterMaster est constitué d’un préparateur d’eau chaude circulaire, traversé par les conduites de gaz de fumée.
Il est entouré d’une jaquette en acier qui contient le liquide primaire.
Ce liquide primaire refroidit l’espace de combustion et descend le long des conduits de combustion tout en réchauffant directement le préparateur d’eau chaude en acier inoxydable qui renferme l’eau sanitaire.
La solution GPCondens utilise une flamme qui viens chauffer directement l'ECS au travers de la cuve d'eau.
06

PECS solaires

Le principe de la génération d'ECS solaire est l'utilisation de capteurs solaires où circule un fluide caloporteur. Ce fluide, une fois chauffé par le soleil, vient, au travers d'un échangeur, transférer les calories dans un ballon d'eau, généralement primaire (eau morte).
Ce système composé de capteurs solaires permet de préchauffer l'eau.
Il est possible de réaliser, avec le PECS solaire des solutions instantanées ou semi-instantanées.
Avantages :
- Energie renouvelable et gratuite.
- Solution moderne.
- Aides financières.
Contraintes :
- Nécessite un système de chauffe complémentaire, qui doit pouvoir assurer 100% du besoin d'ECS.
- Nécessite de la surface disponible en toiture et contraintes d'installation.
- Nécessite de la surface disponible au niveau du local technique.
- Rendement plus ou moins important selon la région où le système est installé.
Schéma de principe préchauffage solaire avec appoint :

Note : Il est en outre possible de réaliser des productions ECS solaires sans nécessairement stocker de l'ECS (PECS instantanée).
Exemple d'une solution triple circuit (solaire, primaire et ECS) :

Exemples de solutions PECS Solaire
La solution Solerio Large est une offre complète.
Atlantic vous propose tous les composants nécessaires à une installation solaire collective : capteurs, stations hydrauliques, ballons, vase d’expansion, vannes d’équilibrage, purgeurs, compteurs… afin de vous garantir la qualité et la durabilité de votre installation.
07

Les solutions d'avenir : PECS + PAC (Pompe À Chaleur)

Le principe de la génération d'ECS avec Pompe à Chaleur (PAC) repose sur l'utilisation d'une pompe à chaleur pour venir chauffer ou préchauffer l'ECS.
Une Pompe à Chaleur repose sur le principe du cycle de Carnot.
Avantages :
- En consommant une puissance électrique donnée, on produit au minimum le triple en puissance thermique (selon COP).
- Évite les consommations électriques importantes.
- Solution de décarbonation de votre installation d'ECS.
Contraintes :
- Coût et contraintes d'installation
Schéma de principe :

Production d'ECS avec Pack Aérothermie

Schéma illustrant la production d'ECS et de chauffage avec Pack Aérothermie ou Géothermie
Exemples de solutions PECS avec PAC
- PAC certifiée HP Keymark Solution EnR, valorisée dans la RT2012
- Régulation 'intelligente' spécifique
- Simplicité et gain de temps à la mise en œuvre grâce à une conception 'plug and play'
Aérothermie monobloc ou géothermie, les pompes à chaleur NIBE combinées aux préparateurs d’eau chaude sanitaire instantanée CETETHERM AquaEfficiency répondent aux besoins importants d’eau chaude sanitaire de manière efficace, économique et sécurisée.
08

Les solutions méconnues pour installations sensibles ou de santé

Certaines installation nécessitent une vigilance et une sécurité encore plus accrue vis-à-vis de la prolifération de bactéries (légionnelle,...).
Pour ce faire, des dispositifs additionnels de pasteurisation d'ECS existent.
Le dispositif de pasteurisation vient en complément des solution d'ECS cités plus haut et apporte une sécurité supplémentaire quant à la non-prolifération bactérienne dans le système d'ECS.
Exemples de cas d'utilisation :
- Hôpitaux
- Maisons de retraite
Bon à savoir : ce type de dispositif peut très bien fonctionner sur des systèmes de PECS solaires.
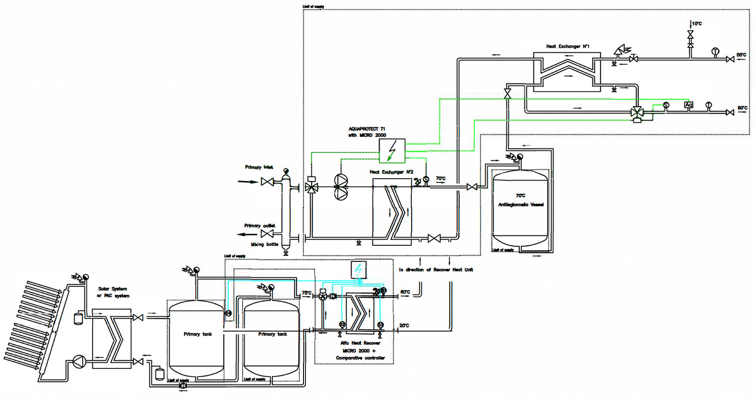
Schéma de principe :

Schéma illustrant la production d'ECS pasteurisé avec préchauffage solaire
⚠️ Important ⚠️ :
Avec ce type de dispositif, il ne faut pas installer de système de mitigeage.
En effet, le dispositif est muni d'un circulateur d'eau et d'échangeurs de chaleurs. C'est ainsi que la régulation de température se fait sans devoir mélanger l'ECS pasteurisé avec de l'eau froide non pasteurisée.
De manière plus générale, afin de garantir un système d'ECS sans légionnelle, l'installation doit respecter scrupuleusement les règles du DTU (eau à 50°C en tout point, vitesse minimale dans les canalisations ...)
TGF a une longue expérience dans les système de pasteurisation, notamment dans le domaine agro-alimentaire.
Demandez-nous conseil pour votre installation !
Exemple de solutions PECS avec pasteurisation d'ECS
AquaProtect est un préparateur d’eau chaude sanitaire qui utilise la désinfection thermique en continu de l’eau entrante et de l’eau en circulation afin d’alimenter en eau chaude sanitaire (ECS) dépourvue de légionelles les bâtiments tels que les hôpitaux, hôtels, maisons médicalisées, prisons et toutes institutions similaires.
Pasteurisation d'ECS : lutter efficacement contre la légionnelle
La légionnelle peut particulièrement se développer dans des eaux dont la température est située entre 20 et 45°C (température d'utilisation de l'ECS).
La pasteurisation de l'eau repose sur le même principe que dans l'agro-alimentaire : on augmente la température de l'ECS jusqu'à atteindre une température suffisante (70°C) et sur un temps suffisamment long pour détruire les bactéries de la légionnelle.
Pour réaliser cela, un échangeur est généralement utilisé pour monter l'eau à la température requise, puis cette température est maintenue suffisament longtemps avec un organe appelé chambreur, où l'eau circule durant un temps maitrisé, toujours à température de pasteurisation.
Ainsi, l'ECS est dénué de toute légionnelle au sortir de ce dispositif.

Une question ?
Un expert pour vous répondre
